
2088壓力變送器
傳感器種類:A級擴散硅,單晶硅,陶瓷,電容風壓,齊平膜,玻璃微熔,藍寶石,濺射薄膜
精度: 0.05%FS、0.1%FS、 0.25%FS. 0.5%FS 、1%PS
測量介質:氣液通用
量程: -100kPa~0~ 500MPa
工作介質溫度:-25~420°C
工作環境溫度:-25~175℃
壓力類型:表壓、負壓、絕壓
產品概述
2088系列壓力變送器產品采用不銹鋼隔離膜片的OEM壓E力傳感器作為信號測量元件,并經過計算機自動測試,用激光調阻工藝進行了寬溫度范圍的零點和靈敏度溫度補償。放大電路將傳感器信號轉換為標準輸出信號,充分發揮了傳感器的技術優勢,使壓力變送器具有優異的性能。它抗干擾、過載和抗沖擊能力強、溫度漂移小、穩定性高,具有很高的測量精度,是工業自動化領域理想的壓力測量儀表。
產品參數
測量介質:液體或氣體(與接觸材質兼容》
整體材質:膜片 316L不銹鋼(接觸)過程連接304不銹鋼 (接觸) (默認參數 可定制)
外殼 壓鑄鋁密封件 丁睛橡膠 (接觸) (默認參數 可定制)
額定量程: -100kPa~0~ 100MPa (詳見量程選型表) (默認參數 可定制)
調校量程范圍必須在額定量程范圍內≥1/10額定量程
壓力方式:表壓、絕壓、負壓
輸出信號: 4~20mA HART通訊
供電電壓; 12~-36VDC常規 15~36VDC 常規(帶顯示)
精度等級: 0. I%FS (量程≥100kPa定制》0. 25%PS (量程≥100kPa默認)
0.5%FS (10kPa≤量程< 100kPa默認) I%FS (量程< l0kPa默認)
表頭顯示精度0.5FS、液品(LCD> 顯示 (默認參數 可定制)
工作條件:介質溫度 -40~ 85C 環境濕度 相對0%~ 95% (無冷凝無結露) (默認參數 可定制)
環境溫度-40- 85C
溫度補償: -10~70'C
抗震性能: 10g (20... 2000Hz)
過載能力: 200%額定滿量程或120MPa (取最小值)
響應頻率:模擬信號輸出≤500Hz
穩定性能:土0. 1% FS/年
溫度漂移: +0. 01%FS/°C (溫度 補償范圍內)
整體重量:≈1500g
防護等級: IP65 注:以上防護等級是指電氣連接完整后所達到 (默認參數 可定制)
最大功率:電流型≤0. 02Us(w)注:Us=供電電壓
負載特性:電流型負載≤[ (Us-7.5) ÷0. 02 (Us=供電電壓) Ω

技術優勢:
a)采用先進的膜片隔離技術
b)集成芯片、寬電壓供電,
c)安裝力便、HART 辦議
d)截頻設計、抗干擾能力強、防雷擊
e)限流、限壓、反接保護(儀限電流輸出)
f)精度高、穩定性好、響應速度快、耐沖擊
工作原理 (單晶硅傳感器)
壓力傳感器是在單晶硅片上擴散-個惠斯通電橋,被測介質(氣體或液體)施壓使橋壁電阻值發生變化(壓阻效應)產生一個差動電壓信號,此信號經專用放大器,將量程相對應的信號轉化成標準模擬信號(如圖所示〉或數字信號。

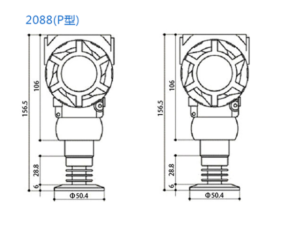
外形尺寸


規格選型


訂貨須知
△警告!
用戶在定購變送器時要注意根據介質的壓力、溫度、防護等級和環境條件選擇合適的規格。
地質監測儀表
活塞式壓力計/壓力源
- GM系列活塞式壓力計
- 臺式液體壓力源
- 臺式氣體壓力源
- 氣體活塞壓力計
- 活塞式壓力真空計
- YS改良型活塞壓力計
- 活塞式壓力計
- 電動微壓標準器
- 氣體減壓器校驗儀
- 氧氣表壓力表兩用校驗器
- 壓力表校驗器校驗儀
- 活塞壓力計數字顯示系統
- 空盒氣壓表檢定裝置
- 電動微壓源
- 全自動液體壓力源
- 管道試壓壓力天平
- 浮球壓力計
- 全自動活塞壓力計
- 便攜式液體壓力源
- 電動壓力源
液位儀表
- 80G超高溫雷達物位計
- 電廠專用四氟高頻雷達物位計
- 側裝磁翻板液位計
- 雷達水位計
- 26G油罐專用雷達液位計
- 26G強腐蝕雷達液位計
- 26G高頻雷達物位計
- 80G調頻雷達液位計
- 80G桿式射頻導納物位開關
- 液位顯示控制箱
- 投入式液位變送器
- 80G纜式射頻導納物位開關
- 桿式導波雷達
- 激光雷達料位計
- 連桿浮球液位計
- 靜壓式水準儀
- 河道浮子液位計
- 液位變送器
- 26G粉塵雷達物位計
- 26G高溫雷達物位計
密度計
- GJM-SHJ型石灰漿液在線密度計
- GJM-JJ型酒精在線密度計
- GJM-85管道密度計
- 差壓式密度計
- 分體式密度傳感器
- 濃度計
- 衛生型密度計
- 耐高溫音叉密度計
- 管道式音叉密度計
- 直管密度計
- 便捷式音叉密度計
- GJM-KG型(卡箍安裝形式)音叉式濃度計
- GJM-QFS氫氟酸專用濃度計
- GJM-YS鹽酸專用濃度計
- GJM-LS硫酸專用濃度計
- GJM-YS型鹽酸在線密度計
- GJM-KG型音叉式密度計(卡箍安裝形式)
- GJM-AS型氨水在線密度計
- GJM-XS硝酸專用濃度計
- GJM-NS型尿素濃度計
物聯網無線溫壓變送器
- Cat1無線溫度變送器
- loRa壓力變送器(高溫型)
- NB無線液位變送器
- NB無線溫度變送器
- NB無線壓力變送器
- 電解液無線變送器
- CAT1無線溫濕度變送器
- CAT1無線壓力變送器
- GNSS自動檢測站
- 無線雷達水位計
- 無線流量計
- 無線磁致伸縮液位計
- 無線浮球液位計
- 無線差壓變送器
- 無線溫壓變送器
- 油田專用壓力變送器
高精度壓力表
- 防爆數字壓力表
- 數字壓力控制器
- 計量級數字壓力表
- 精密數字壓力表
- 計量級精密壓力表
- 臺式數字壓力表
- 特殊精密壓力表
- 各類普通壓力表
- 智能數字壓力校驗儀
- 高精度大氣壓力計
- 氣密性測試儀
- 高精度壓力模塊
- 存儲型數字壓力表
流量儀表
- 智能一體式渦街流量計
- 溫壓補償一體化渦街流量計
- 插入式渦街流量計
- 智能氣體渦輪流量計
- MF4003/4008微小氣體流量流量計
- 智能一體式電磁流量計
- 羅茨流量計
- 圓齒輪流量計
- 智能氣體旋進旋渦流量計
- 一體式孔板流量計
- 液晶顯示金屬管轉子流量計
- 就地顯示金屬管轉子流量計
- MF5706/08/12氣體質量流量計
- 手持式超聲波流量計
- 固定外夾式超聲波流量計
- 智能液體渦輪流量計
- 插入式電磁流量計
- 分體式電磁流量計
壓力變送器
熱工校驗儀
- 全自動溫度檢定系統
- 便攜式全自動壓力檢定系統
- 全自動壓力檢定系統
- 高精度溫度顯示儀
- 干體式校驗爐
- 溫度檢定爐
- 恒溫水槽
- 恒溫油槽
- 便攜式熱電偶校驗儀
- 便攜式熱電阻校準儀
- 信號過程校驗儀
- 壓力表檢定附件產品

